info@tdtransmet.ru
Категория: Стыковые железнодорожные накладки

Накладка 2Р-65

В наличии на складе Цена по запросу
Отправить запрос
Тип:Новый
Тип2Р-65
Длина, мм800
Ширина, мм60
Высота, мм130
Плoщaдь пoпepeчнoгo ceчeния пpoкaтa, cм238,45
Koличecтвo x paзмep oтвepcтий, шт. x мм2 х d30, 2 х 40х30
Материалсталь М54
Масса 1 шт.23,78 кг
Единица измерениятонна
Количество в 1 тонне42
Необходимое количество на 1 км пути, шт.3,81
ГОСТ, ТУГОСТ 33184-2014
Для типа рельсР65
Болт стыковой (приобретается отдельно)М27х160
Гайка (приобретается отдельно)М27
Шайба одновитковая (приобретается отдельно)М27

Среднее время доставки по Свердловской области: 7-10 дней

Наши логисты свяжутся с вами для уточнения деталей доставки

ЖД стыковая накладка 2Р-65 используется  в качестве болтового рельсового скрепления. Предназначена для скрепления шейки железнодорожных магистральных рельс Р65 с помощью стыкового болта М27х160.

Основные характеристики

  • Единица измерения — тонна
  • Масса 1 шт. — 23,78 кг
  • Количество в 1 тонне — 42 шт.

ГОСТ 33184-2014

На нашем сайте вы можете скачать ГОСТ 33184-2014 для стыковых накладок типа 2Р-65 —изображение

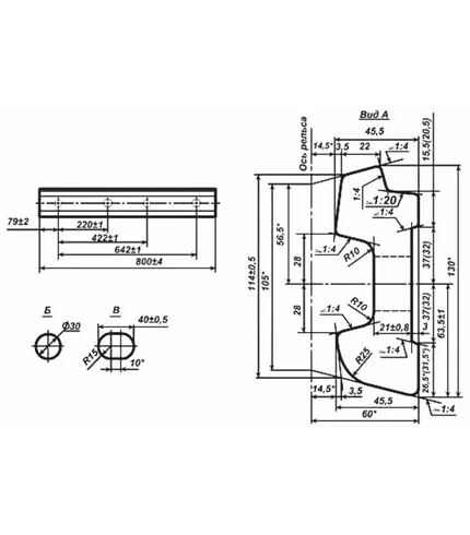
Чертеж

чертеж рельсовой наладки 2Р-65

Накладки 2Р-65 по выгодным ценам в ТД «Трансмет»

Купить двухголовую накладку (4-х дырную) 2Р-65 по низкой цене с доставкой в Кызыле вы можете на сайте Торгового Дома «Трансмет» прямо сейчас! Доставим в короткие сроки на Ваш объект или производство. Перевозку осуществляем собственным автотранспортом или оформляем железнодорожные грузоперевозки. При необходимости груз страхуется и сопровождается.

Торговый Дом «Трансмет» — Ваш надёжный поставщик накладок и других материалов ВСП. К нам обращаются, нам доверяют!

Свяжитесь с коммерческим отделом компании и мы поможем вам с расчетом и оформлением заявки!

Телефоны: +7 (343) 361-64-95, +7 (343) 361-64-78, 8 (800) 600-54-95 (бесплатный для регионов)
E-mail: info@tdtransmet.ru

Оплата и доставка продукции

Мы предлагаем свои услуги по доставке различных грузов для железных дорог, включая железнодорожные рельсы, шпалы и другие строительные материалы.

Мы обладаем собственным транспортом, который позволяет нам осуществлять доставку грузов быстро, качественно и в срок. Наша компания осуществляет доставку продукции по всей территории России и ближнего зарубежья.

Варианты доставки

  • Доставка автотранспортом по РФ.
  • Доставка железнодорожным составом.
  • Отправка ТК по запросу. Мы сотрудничаем со всеми сертифицированными транспортными компаниями.

Наша компания заботится о комфорте и безопасности клиентов, поэтому мы предлагаем различные виды транспорта для доставки. Не важно, нужно ли вам доставить грузы на большой расстояние или через город, мы предоставим вам наилучшее решение для вашего бизнеса.

624002, Россия, Свердловская область, г. Арамиль, ул. Гарнизон, 3В